This project is proudly sponsored by PCBWay.
For high-quality circuit boards, assembly services, and machined or 3D-printed parts, visit Pcbway!

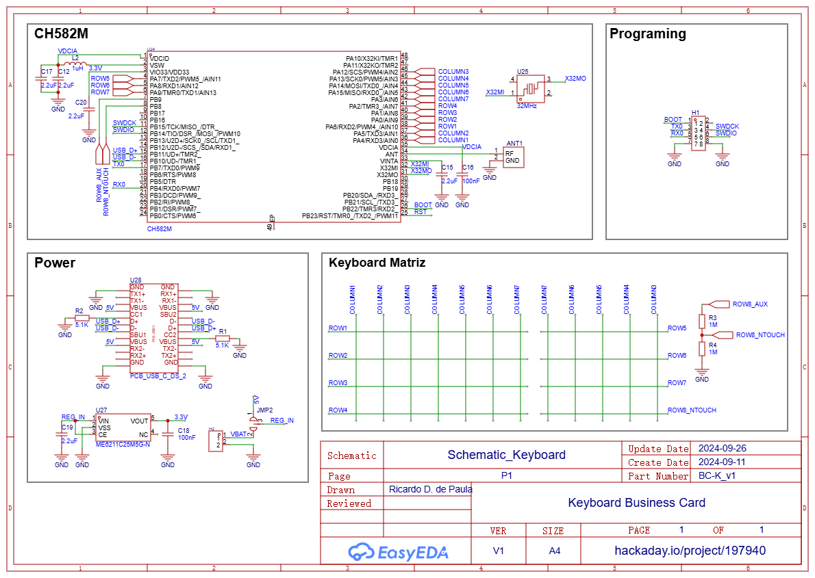
Keyboard Business Card - OSHWLab for schematics and PCB project.
&
RicardoX2X/Business_card (github.com) for the firmware.
Project Overview:
Ricardo Daniel de Paula





Here's a close look at the antenna and main electronics:





The chip not only have 14 touchKeys and USB support, but also have Bluetooth Low Energy module AND are in the same price of the CH32V303, so it is the perfect choice, and maybe it can add a feature that wasn't in my plans; wireless.



Mahesh Venkitachalam
Chris Chung
Stefan Mitic
Taiwo
caraca, irmão, perfeito o trabalho. isso e muito util para usar no celular caso deseja utilizar a tela toda do celular.