Details
Welcome to Prototyping in Mechanical Engineering!
I'll give you a toolkit to think about the world as a mechanical engineer does, and I'll impart some of my knowledge from years of prototyping and mechanical system design. I'll throw in some anecdotes from my past, including cocktail robots, nanotechnology, and other hilarious subjects.
This course is aimed at technical people, and I'll teach with an assumption that you already know basic physics, chemistry, and algebra. The pace of the class will be extremely quick; we have a lot to cover in a very short amount of time and this class is really meant as an overview of decades of my experience.
Materials: You won't need anything special to participate in the course, but I do recommend taking notes, since we'll be moving very quickly. In week 3, I'll give a list of the twelve tools I think are most critical to engineering, but you won't need those to take the class (just to implement it on your own stuff!).
About me: Will Fischer is a serial entrepreneur, mechanical engineer, and patent agent with more than a decade of engineering experience in medical devices, material science, nanotechnology, semiconductor, robotics, and furniture. He has a BS and MME from Rice University and an MBA from University of Chicago's Booth School of Business and resides in Berlin, Germany where he teaches classes on machining, manufacturing, and business and consults as a prototyping engineer and business strategist.
His hobby has been building cocktail robots and his team has won 3 First Prizes at the San Francisco Cocktail Robotics Grand Challenge for their robots N.E.Bree-8 and The Blaster. He is currently working on his 6th cocktail robot in Berlin.
Files
Hackaday Class 5.pdfThese are the slides from the fifth lecture: Motion, Gearing, and ActuationAdobe Portable Document Format - 3.69 MB - 03/15/2021 at 23:10 |
|
|
Hackaday Class 4.pdfThese are the slides from the fourth lecture: Fluids and ThermodynamicsAdobe Portable Document Format - 5.84 MB - 03/15/2021 at 23:09 |
|
|
Hackaday Class 3.pdfThese are the slides from the third lecture: Fabrication and MachiningAdobe Portable Document Format - 4.73 MB - 02/11/2021 at 08:02 |
|
|
Hackaday Class 2.pdfThese are the slides from the second lecture: Materials (and how to select them)Adobe Portable Document Format - 10.74 MB - 02/08/2021 at 13:46 |
|
|
Hackaday Class 1.pdfThese are the slides from the first lecture: Introduction and How to Read a Schematic DrawingAdobe Portable Document Format - 5.31 MB - 02/08/2021 at 13:45 |
|
|
Course Classes
Collapse
-
Class 1: Introduction to Prototyping, Schematics, and Drawings
Will Fischer • 12/23/2020 at 11:27 • 0 commentsThis is our intro class, and I'll talk about my background, why engineers prototype, and I'll finish with important information on how to read and think about schematic drawings and buying parts from vendors.
- Introduction
- Who I am and my background
- How I tend to work
- Course intro
- What is Mechanical Engineering?
- What to expect to learn
- Pace
- Why prototype?
- Move quickly
- Learn from your prototypes
- Drawings
- Why drawings are important
- How to read a drawing
- Things to keep in mind when creating a drawing
- Inspection
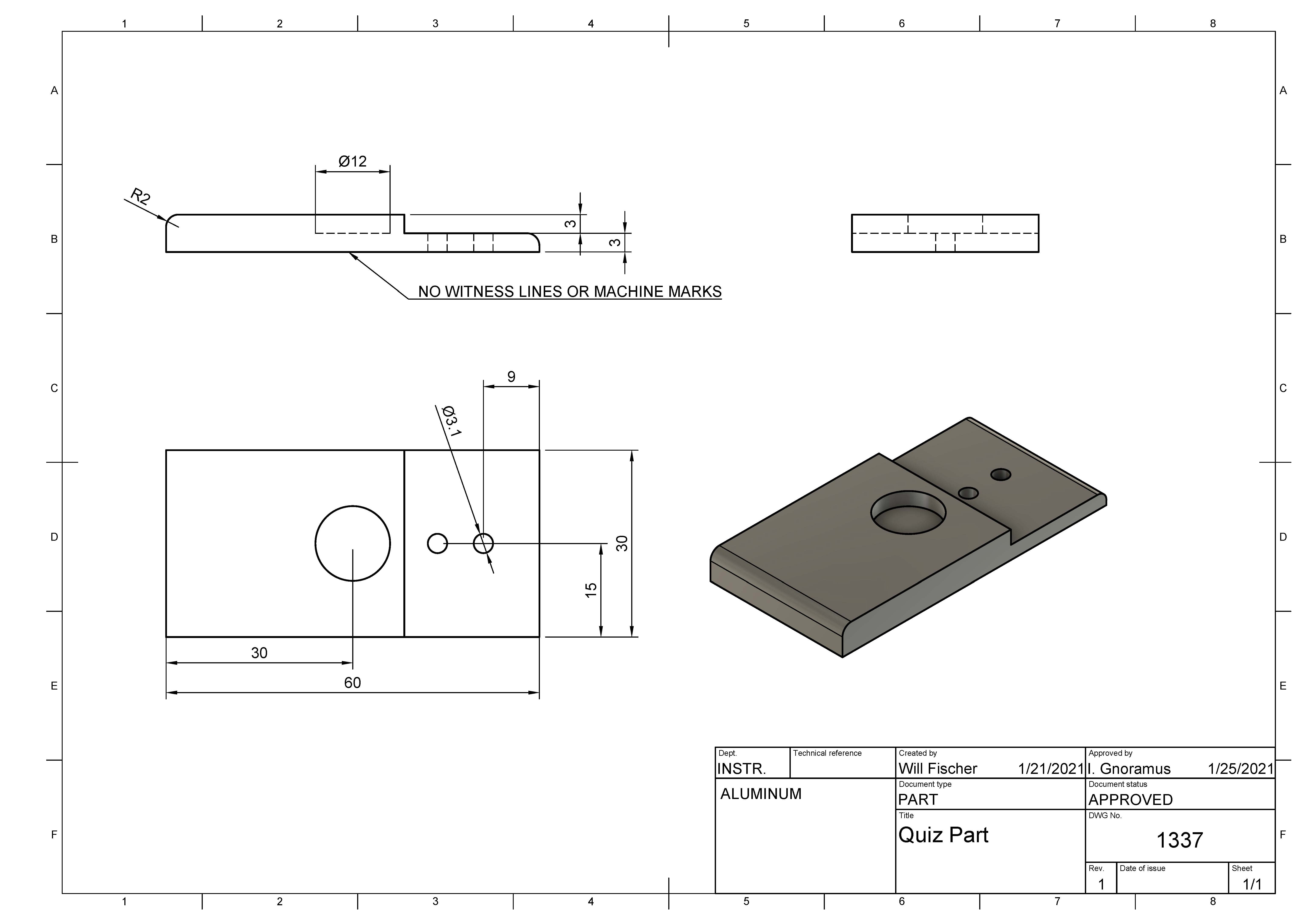
Image used in Quiz 1
![]()
Class 1 Video: - Introduction
-
Class 2: Materials and Material Selection
Will Fischer • 12/23/2020 at 11:31 • 0 commentsThis class will be a lightning quick overview of material science, an important facet of mechanical engineering
Class 2 - Materials
- Why materials are important
- Considerations in selection
- Types of materials
- Metals
- Aluminum
- Steel
- Others
- Plastics / Polymers
- Cheap plastics
- ‘Designer’ plastics
- Elastomers
- Metals
- Ceramics
- Composites/Other
- Wood
- Carbon fiber / fiberglass
- Other
Class 2 Video:
- Why materials are important
-
Class 3: Fabrication, Tools, and the Machine Shop
Will Fischer • 12/23/2020 at 11:34 • 0 commentsThis course will cover methods of conventional fabrication and will include a list of twelve essential tools to own. Plus, we'll talk about how to use your machine shop (or how to select a good one).
- Types of fabrication
- Additive
- Subtractive
- Cutting
- Grinding
- Others
- Welding
- Will’s List of Twelve Tools To Own
- How to design for the machine shop
Class 3 Video:
- Types of fabrication
-
Class 4: Fluids
Will Fischer • 12/23/2020 at 11:38 • 0 commentsIn another speedy overview, we'll discuss some of the knowledge necessary to design fluid systems. Will include anecdotes from my background in cocktail robotics and practical design criteria to help you build your own piping, pumping, and valving systems.
- Definition of a ‘fluid’
- Piping
- Pressure vessel design
- Pumping systems
- Valves
Class 4 Video:
-
Class 5: Motion, Gears, and Actuation
Will Fischer • 12/23/2020 at 11:42 • 0 commentsThe class you've all been waiting for: how stuff moves. We'll cover some of the math of actuation, as well as an overview of the different parts you can use to move things around. I'll get into how each different system works so that you can understand the theory behind selecting things. Because movement is at the core of mechanical engineering, we have to build up to this!
- Introduction to motion
- The math of motion
- Gearing systems
- Spurs
- Bevels
- Worms
- Differential
- Transmissions
- Clutches
- Actuation
- Linear actuation
- Solenoids
- Pneumatics/hydraulics
- Electrical linear actuators
- Rotary actuation
- Standard DC motors
- Servos
- Steppers
- Linear actuation
Class 5 Video:
- Introduction to motion
-
Weekly Quizzes
Lutetium • 01/26/2021 at 00:08 • 0 comments
Enjoy this course?
ShareDiscussions
Become a Hackaday.io Member
Create an account to leave a comment. Already have an account? Log In.
Really brilliant course. Thanks Will. Looking forward to learn more from you.
Will Fischer
Wow, really amazing course. As you have designed the course in a very explanatory way. Is there any course related to web designing so that I could get it and make our https://golfwatchcenter.com/best-golf-gps-watch-for-ladies/ a brand. Because I have started this project since 2020 and still working on it.